当前位置: 首页 · 成果推广 · 正文

成果推广

一种电厂热能回收利用装置
来源:科研信息处        发布日期:2022/04/22        点击量:

联系人:石红梅   联系电话:029-33665133    

项目简介:

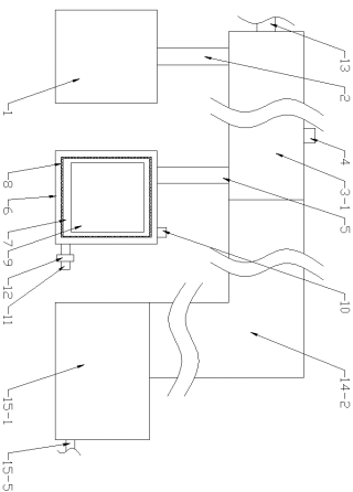
本实用新型专利针对当前火力发电热能损失较多、不利于储备及循环利用等缺陷,研发了一种可进行电厂热能回收利用、暂时储存保温及使用的热能回收利用装置(结构见下图),适用于火力发电行业,技术成熟度3级。

 

 

技术创新点:

现有火电厂燃烧装置所排放废气经处理后,仍有较多热量残留,造成一定的热能损失,不利于热能的储备以及循环利用。

本实用新型专利通过设计加热管、排气管、输水管,同时与在钢管上配套连接隔热棉,可利用锅炉余热对水进行加热,提高了实用性,同时能够对加热水进行临时储存保温,便于后续使用,实现对电厂热能回收利用及后续使用。

产业化前景:

市场数据显示,我国工业各领域余热总资源占其燃料消耗总量的17~67%,其中可回收利用的部分约占余热总量60%,研发、推广热能回收技术是节能减排的重要组成部分,也是实现资源和能源可持续发展的关键技术。

据统计,截止2019年,全国已投产15万千瓦以上火电厂约3300余家,锅炉作为火电厂的燃烧关键设备,国内的平均运行效率只有约70%左右,地方上大量存在的小吨位燃煤锅炉效率更低。本热能回收利用装置,可实现对不同级别火电厂锅炉余热的再利用及临时储存,在火力发电行业具有较广阔的应用价值和社会效益。

上一条:一种基于Apriori算法的空气质量分析系统
下一条:一种具有语音功能的超声导盲仪

地址:陕西省咸阳市文林路   办公电话:029-33665100   信息管理:信息中心    技术维护:信息中心    版权所有©陕西能源职业技术学院 科研信息处   陕ICP备05003101号